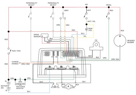
Curtis Controller Wiring Diagram

Wiring Diagram For 36 48v Stand Up Models With Curtis Controller

Wiring Diagram For 36 48v Stand Up Models With Curtis Controller

Http Www Hpevs Com Site Images Jpeg Schematics E Controllers 1232 38 E Controllers 530 And Up Auto1232 1238 530 E Controller Reva 6 1 16 Pdf

Http Www Hpevs Com Site Images Jpeg Schematics E Controllers 1232 38 E Controllers 530 And Up Auto1232 1238 530 E Controller Reva 6 1 16 Pdf

Lx 4789 For Curtis Sepex Controller Wiring Diagram Wiring Diagram

Lx 4789 For Curtis Sepex Controller Wiring Diagram Wiring Diagram

Basic Wiring For Motor Control Technical Data Guide Eep

Basic Wiring For Motor Control Technical Data Guide Eep

High Quality Curtis Dc Motor Controller 48v 1266r 5351 Buy Sepex

High Quality Curtis Dc Motor Controller 48v 1266r 5351 Buy Sepex

Elithion Lithiumate Manual Curtis 1621 Charger

Elithion Lithiumate Manual Curtis 1621 Charger

Curtis 1505 Speed Controller Installation And Wiring

Curtis 1505 Speed Controller Installation And Wiring

Manual 1204 5 Motor Controllers Curtis Pmc Pdf Free Download

Manual 1204 5 Motor Controllers Curtis Pmc Pdf Free Download

48v Curtis Controller Wiring Diagram

48v Curtis Controller Wiring Diagram

Curtis 1204 Controller Manual

Curtis 1204 Controller Manual

Bl 7213 1204 Curtis Controller Wiring Diagram Free Diagram

Bl 7213 1204 Curtis Controller Wiring Diagram Free Diagram

Curtis Controller Wiring Diagram

Curtis Controller Wiring Diagram